Aufbau, Struktur und Haarentwicklung im Zusammenhang mit verschiedenen Merkmalen der Deckfarbe
Ursula Koetter – „Das Blaue Jahrbuch“ 1981
Betrachten wir ein Rassekaninchen, ist das Fell wohl der wichtigste erste Eindruck, den wir neben der äußeren Form und der Farbe des Tieres wahrnehmen. Die dichte, weiche Behaarung erfreut unser Auge und unseren Tastsinn, wenn wir mit fühlender Hand über sein Fell streichen. Ausstellungsbesucher und vor allem Kinder können ja nur selten der Versuchung widerstehen, einmal mit der Hand durch die Gitterstäbe zu greifen. Sie wollen spüren, wie zart und pelzig sich ein Blauer Wiener anfasst, ein Angora in voller Wolle oder ein samtenes Rexfell. Sicher könnte das Aufstellen einiger Streicheltiere, die ja im Zoo ein ganz großer Anziehungspunkt sind, unsere Vereinsschauen beleben und für den Zuschauer interessanter gestalten. Denn erst das Zusammenwirken von Sehen und Tasten kann uns den rechten Ein- druck vermitteln. Das gilt besonders für die Fellbeurteilung. Der Züchter und vor allem der Preisrichter prüfen die Fellbeschaffenheit mit dem Auge und mit der Hand, denn die Züchtung auf gute Fellqualität gilt bei allen Rassen als wichtige Forderung. Jahrzehntelange Auslese und züchterische Bemühungen können als Erfolg verbuchen, dass sich das Kaninchenfell längst einen Platz im Welthandel gesichert hat und durch seine vorzügliche Eignung für die Veredelung, wie Dorn (1973) sagt „zu einem wichtigen Zweig der Pelztierzucht geworden“ ist.
1. Die Fellstruktur
Im Standard sind die Kaninchenrassen eingeteilt nach der Art ihrer Behaarung in Normalhaar-Rassen, Kurzhaar-Rassen und Langhaar-Rassen. Die erste und größte Gruppe soll hier im Vordergrund stehen. Die Behaarung der Normalhaar-Rassen entspricht der Ursprungsform, dem Wildkaninchen. In der Vererbung ist das Normalfell vorherrschend oder dominant und überdeckt Kurzhaar und Langhaar, die beide durch Mutationen entstanden sind.
Die Hauptmerkmale eines Normalhaarfelles sind die Dichte der Unterwolle, das Deckhaar bzw. die Begrannung und die Haarlänge. Wir fassen alle zusammen unter dem Begriff „Fellstruktur“.

Beurteilen müssen wir außerdem den Fellzustand, der sich jeweils mit dem Ablauf der Haarung ändert und außerdem bestimmte Anforderungen an den Pflegezustand des Tieres stellt.

Sowohl die Fellstruktur wie der Fellzustand beruhen auf Wechselwirkungen von Erbanlagen einerseits und Umweltbedingungen andererseits, zu denen alle äußeren Einflüsse wie Fütterung und Pflege, Witterung, Jahreszeit und Stallklima zu rechnen sind. Nach der züchterischen Erfahrung ist die Fellstruktur stärker durch die Erbanlage bestimmt, während der Fellzustand mehr von den äußeren Gegebenheiten, vor allem von der Jahreszeit abhängig zu sein scheint. Jedes Normalhaarfell besteht aus den Haararten Unterwolle, Deckhaar und Granne.
1.1 Das Unterhaar
Reichliche Fülle der Unterwolle ist als die wichtigste Eigenschaft des guten Felles anzusehen. Das feine, zarte Unterhaar ist leicht gewellt und nur etwa 1 Hundertstel Millimeter (10 µ) dick. Nach Anzahl und Menge überwiegt es die anderen Haararten um das Vielfache. Dorn (1973) gibt 20 Wollhaare auf 1 Grannenhaar an, nach eigenen Untersuchungen (Koetter 1967) kann dieses Verhältnis bei dichtwolligen Tieren erheblich höher liegen, worauf ich später noch eingehe.

Abb. 1: Die Haararten des Kaninchens. Schematische Skizze, vergrößert
Die Unterwolle birgt viel Luft in ihren Zwischenräumen und in den Luftkämmerchen des feinen Markkanals, der jedes Wollhaar ausfüllt. Sie dient dem Rumpf als wärmende Hülle. Die kürzer behaarten Ohren und Läufe sind offenbar weniger kälteempfindlich und weisen kaum Unterhaar auf. Wir prüfen die Dichte der Unterwolle am Rücken des Tieres durch wiederholtes kräftiges Streichen mit der Handfläche gegen die Haarrichtung. Das gute, dichtwollige Fell fühlt sich dabei vollgriffig an. Durch ihre Fülle gehen die Haare nur langsam in ihre Ausgangslage zurück, ihr aufgerautes Aussehen deutet hin auf den alten Begriff „Rauche“, den der Kürschner für die Bezeichnung bester Felle anwendet.
Dünne, unterwollarme Felle erkennt man dagegen am raschen Zurückschnellen der Deckhaare, wenn wir sie mit der Hand prüfend nach vorn streichen. Beim Scheiteln des Felles wird die Haut sicht- bar, die bei guten Fellträgern möglichst wenig in Erscheinung treten soll. Diese Sichtprüfung am Haarboden ist deshalb wichtig, weil auch Felle mit längerem, weichem Deckhaar einige Augenblicke in aufgerauter Stellung verharren und dadurch mehr Unterwolle vortäuschen, als sie besitzen.
1.2 Das Deckhaar
Beim Normalhaarkaninchen legen sich Deckhaar und Granne als äußeres Haarkleid schützend über die kürzere, feine Unterwolle und schirmen sie ab gegen Einflüsse der Witterung wie Regen, Wind und Staub, denen ja die Wildform des Kaninchens ständig ausgesetzt ist.
Die Mutationsformen wie Kurzhaar- und Langhaarkaninchen, die nicht über das abschließende Deckhaar verfügen, können nur als Haustiere in Schutz und Pflege des Menschen gedeihen. An die Beschaffenheit von Deckhaar und Granne, die ja auch die Hauptträger der Fellfarbe sind, stellen wir nun je nach Rasse verschiedene Ansprüche; doch soll bei allen Normalhaartieren das Deckhaar dicht und gleichmäßig am ganzen Körper ausgebildet sein, wir wünschen es von elastischer Struktur, geschmeidig im Griff und von gutem Glanz.
Hartes und grobes Deckhaar ist wenig ansprechend; im Zweifelsfall bei der Zuchtwahl ist es jedoch dem fehlerhaften zu weichen und zu feinen Haar vorzuziehen.
Betrachtet man Kaninchenhaare im Mikroskop, zeigen die zarten Wollhaare im Inneren einen feinen Markkanal mit Luftkämmerchen. Die Deckhaare sind wesentlich stärker (4- bis 5fach) und weisen im oberen Drittel eine Verdickung auf, die gleich mehrere Markreihen besitzt. Diese geht dann in eine langgezogene, feine Spitze über.
Unterhalb der Verdickung erscheint das Deckhaar etwas abgeplattet und dünner als der Schaft. Dadurch neigt sich der schwere obere Teil ähnlich wie eine Ähre am Halm und legt sich in leichter Krümmung geschmeidig über das Unterhaar. Diese verdickten Grannenteile fügen sich dabei „dachziegelartig“ übereinander und verleihen damit der Unterwolle eine Abdeckung und einen guten Schutz.
Auch der Glanz des Felles geht hauptsächlich von diesen verdickten Deckhaarspitzen aus, da sie das auftreffende Licht zurückwerfen, reflektieren (s. Abb. 2). Dabei spielt die richtige Haarlänge eine ganz wesentliche Rolle.
1.3 Die Haarlänge
Bei der Ausstellungsbewertung wird die Haarlänge lt. Standard nicht gemessen, sondern nur geschätzt. Da die richtige Beurteilung der Haarlänge aber sehr viel Übung erfordert, kann eine genauere Kontrolle mit dem Zollstock recht aufschlussreich sein, besonders beim Zusammenstellen der Zuchtpaare.
Zum Messen der Haarlänge scheiteln wir das Fell auf dem Rücken, setzen den Zollstock auf dem Haarboden auf und lesen ab, wo die Masse der Deckhaare endet und die Markierung sichtbar wird. Die nun noch überstehenden Grannen- oder Stichhaare lassen wir zunächst unberücksichtigt; sie werden später noch besprochen.
Für die großen Rassen sind im Standard 4 cm Haarlänge angegeben. Bei den Mittelrassen sind etwa 3 cm vorgeschrieben. Das gilt auch noch für Kleinwidder, Kleinchinchilla und Deilenaar. Ab 2,5 kg Körpergewicht sollten die kleinen Rassen etwa 2,5 cm Haarlänge aufweisen, wenn auch der neue Standard auf diese Angabe verzichtet. Bei Hermelin und Farbenzwergen beträgt die ideale Haarlänge 2,2 cm.
Längeres Deckhaar, das meist auch mit längerer Unterwolle gekoppelt ist, kann wegen seines flattrigen Aussehens kaum gefallen. Auch legt es den Verdacht auf den gefürchteten Langhaarfaktor nahe, der sich vor allem durch längeres, wolliges Haar in der Schoßgegend verrät.
Um diesen Fehler einzudämmen, der besonders auffallend beim Blauen Wiener auftritt, züchten wir auf kurzes, straffes Deckhaar, das sich auch auf der Bauchseite dicht, glatt und glänzend zeigen sollte. Das wirkt sich besonders bei einfarbigen Rassen günstig auf die Gleichmäßigkeit der Deckfarbe aus.
Im Übrigen ist die Bauchseite ein guter Gradmesser für die Qualität der Haarstruktur. Das gilt nicht nur für Rexe und Angora, sondern auch für Normalhaar, da sich hier Strukturfehler besonders deutlich zeigen. Längere, wollige, gekräuselte oder filzige Behaarung der Unterseite, einschließlich der Laufsohlen, ist bei Normalhaartieren als mangelhaft anzusehen.
Kaninchen mit kurzem Deckhaar sind in der Regel frei von diesen Fehlern, doch ist darauf zu achten, dass die Felle nicht zu kurz werden. So finden wir gerade in manchen hochstehenden Zuchten Tiere mit sehr dichter Unterwolle und sehr kurzem Deckhaar, vom Züchter anerkennend „Bürste“ genannt, die aber in der Deckfarbe kaum noch Glanz oder Schattierung zeigen.
Der Grund liegt darin, dass die oberen verdickten Teile des Deckhaars, die das Licht reflektieren und dadurch den Glanz hervorrufen, sich nicht mehr überhängend, deckend über das Unterhaar le- gen, sondern aufrecht in der Unterwolle stecken. Der schöne Glanz der Decke ist jedoch bei allen einfarbigen Rassen unerlässlich. Man denke nur an Alaska. Aber auch bei Weißgrannen, Lohkaninchen und den Kleinsilbern wird er im Standard ausdrücklich gefordert. Wohl ist das glänzende Fell auch von guter Fütterung und Pflege abhängig, doch spielen die Struktur und die richtige Haarlänge zweifellos eine wichtige Rolle.
In Abb. 2 habe ich versucht, diese optischen Zusammenhänge zwischen Haarlänge und Glanz deutlich zu machen.

Abb. 2: a) Die Auswirkungen verschiedener Längen des Deckhaars auf den Fellglanz, dargestellt durch reflektierte Lichtstrahlen.
b) Die Zusammenhänge zwischen Deckhaarlänge und Schattierung bei Chinchilla und wildgrauen Fellfarben.
In der linken Hälfte der Abbildung ist ein Normalhaarfell in günstiger Haarlänge dargestellt. Die verdickten oberen Teile der Deckhaare legen sich „dachziegelartig“ über das Unterhaar. Das von oben einfallende Licht (Pfeile) wird von dieser Oberfläche reflektiert, zurückgeworfen (5 gestrichelte Pfeile je Deckhaar). Diese vom Fell ausgehenden reflektierten Lichtstrahlen erscheinen uns als Glanz.
In der rechten Hälfte der Zeichnung sehen wir ein Fell mit sehr kurzen Deckhaaren, ihre verdickten Oberteile stehen aufrecht in der Unterwolle. Dadurch können nur noch wenige einfallende Lichtstrahlen reflektiert werden (2 gestrichelte Pfeile je Deckhaar). Das Fell wirkt samtartig, stumpf; es verschluckt das Licht in seinem fast senkrecht stehenden Haar und zeigt deshalb kaum noch Glanz.
Abb. 2 gibt auch einen Hinweis auf die Zusammenhänge zwischen Deckhaarlänge und Schattierung beim Chinchillakaninchen. Wer aufmerksam beobachtet, wird bemerken, dass hochgezüchtete Kleinchinchilla mit sehr dichtem, kurzem Fell kaum noch die erwünschte kräftige, flockige, schwarze Schattierung zeigen, die im Standard beschrieben ist.
Die Ursache liegt auch hier in der Kürze der aufrecht stehenden Deckhaare. Die flockige Schattierung kommt ja erst durch ein Überlagern der schwarzgespitzten Deckhaare und der reinschwarzen Grannenhaare zustande. Dazu muss das Deckhaar genügend lang sein, um sich über die Unterwolle zu legen. Dieselbe Feststellung trifft Hagen (DKZ 13/8/1979) in seinem Beitrag über Deckfarbe und Schattierung beim Kleinchinchilla, dass zu kurze Felle eine zu gleichmäßige Schattierung aufweisen.
Häufig erscheint die erwünschte flockige Schattierung erst kurz vor dem Haarwechsel, wenn das Althaar um einige Millimeter länger wird, weil es vom nachwachsenden Junghaar aus den Haarbälgen nach oben gedrängt wird. Sinngemäß gilt das auch im Folgenden für alle wildgrauen bzw. hasengrauen Rassen und Farbenschläge. Das im Standard beschriebene „büschelweise Zusammenstehen unregelmäßig am Körper verteilter schwarzer Haare“ als Ursache der Schattierung möchte ich in Frage stellen, da die Gruppierung der Haarwurzeln beim Kaninchen doch ziemlich regelmäßig angelegt ist (Abb. 4-6).
In diesem Zusammenhang bedarf auch die vielfach u.a. von Dorn (1973, S. 123) angenommene unterschiedliche Färbung der Haarspitzen einer Klärung, da nach meinen Beobachtungen alle Deckhaare außer den starken schwarzen Grannen- oder Stichhaaren die gleichen, für den Wildfarbigkeitsfaktor charakteristischen drei Farbzonen tragen, nämlich Unterfarbe, Zwischenfarbe und Deckfarbe. Außerdem enden alle Deckhaare in einer schwarzen Spitze, die je nach Farbintensität länger oder kürzer sein kann.
Die Schattierung und „Sprenkelung“ der grauen und chinfarbigen Felle beruht darum im Wesentlichen auf der Überlagerung der oberen Farbzonen des Haares, der hellen Deckfarbzone und der schwarzen Haarspitzen.
Es erfordert viel Fingerspitzengefühl, die ideale Struktur herauszuzüchten, denn bei vielen Rassen entscheiden die richtige Haarlänge und die Geschmeidigkeit des Deckhaars unmittelbar über die farblichen Feinheiten.
Für die Silberung der Kleinsilber ist einerseits etwas kürzeres Haar günstig, weil dadurch ein Überlagern der weißgespitzten Deckhaare vermieden wird, das leicht den Eindruck der flockigen Silberung hervorruft. Andererseits darf das Deckhaar auch nicht zu kurz werden, da sonst bei den wirklich dichten Fellen der Glanz verloren geht.
Feines, sehr gleichmäßiges und dichtstehendes Deckhaar ist beim Perlfeh erforderlich, um die schöne grau-weiße Perlung zur Geltung zu bringen. Der Standard fordert allerdings „die Begrannung etwas kräftiger“ als beim Marburger Feh. Das scheint mir jedoch für das feine Perlmuster, wie wir es von den besten Vertretern der Rasse kennen, nicht günstig zu sein.
Auch für die Farbwirkung der Englischen Schecken ist eine feine und gleichmäßige Begrannung vorteilhaft, da bei längerem, grobem Deckhaar die Seitenzeichnung verwaschen erscheint.
Längere überstehende Grannenhaare sind deshalb bei allen Zeichnungsrassen besonders störend. Doch ist es den Züchtern gelungen, die Begrannung durch Auslese so weit zu verfeinern und dem Deckhaar anzugleichen, dass wir bei vielen Rassen die dritte Haarart des Kaninchens, das Grannenhaar, kaum noch vermuten.
1.4 Das Grannenhaar
Beim Messen der Haarlänge mit dem Zollstock konnten wir sicher noch einige überstehende kräftige Haarspitzen feststellen, die über das Deckhaar hinausragen. Das sind die eigentlichen Grannenhaare, in der Fachliteratur der Tierzucht auch Leithaare genannt, weil sie beim Fötus als erste Haarart erscheinen.
Bei manchen Rassen haben die Grannen- oder Leithaare eine besondere Färbung. Vor allem beim Hellen Großsilber und Kleinsilber hell heben sich die schwarzen „Stichhaare“ gut von der hellsilbrigen Decke ab.
Deutsche Großsilber und Kleinsilber schwarz tragen ebenfalls schwarze Grannenhaare, doch treten diese „Stichhaare“ bei der wesentlich dunkleren Schattierung der Decke nicht hervor.
Vom Hellen Großsilber wissen wir, dass Anzahl und Stärke der Stichhaare durch die züchterische Auslese verstärkt oder vermindert werden können.
So können wir nicht nur bei Groß- und Kleinchinchilla, sondern auch bei grauen Deutschen Riesen und Deutschen Widdern sowie beim Grauen Wiener durch kräftige schwarze Stichhaare die gewünschte flockige Schattierung fördern.
Bei allen einfarbigen Rassen gilt es dagegen, lange und starke Grannen- oder Stichhaare züchterisch zu verdrängen, weil sie den Gesamteindruck der glatten Decke stören. Häufig sind sie auch noch in der Farbe etwas abweichend und führen z.B. beim Marburger Feh zum Eindruck der bereiften oder melierten Deckfarbe.
Die schön ausgeprägten Seitenspitzen der Lohkaninchen und Weißgrannen gehören wiederum zu einem ganz besonderen Haartyp. Eigentlich sind es Tast- oder Spürhaare, die beim Wildkaninchen als schlüpfendem Erdhöhlenbewohner hauptsächlich an den Körperseiten und an der Brust ausgebildet sind.
Bei genauer Beobachtung können wir auch bei allen wildgrauen Rassen noch hellgefärbte Seitenspitzen entdecken; nur heben sie sich von der gesprenkelten Fellfarbe nicht so stark ab wie beim Lohkaninchen, bei dem die Züchtung auf dieses Merkmal eine besonders schöne Ausprägung der Seitenspitzen erreicht hat.
2. Anordnung der Haare in der Haut
Aufschlussreich für die Struktur und die Zusammensetzung des Felles ist auch ein Blick unter die Haut, den uns die histologische Technik möglich macht. An hauchdünnen, gefärbten Schnitten von der Haut lässt sich die Anordnung der Haarwurzeln im Mikroskop betrachten. Die folgenden Abbildungen zeigen Mikroskopaufnahmen von Längs- und Querschnitten durch die Haut von Angorakaninchen (Koetter 1967).
Bei diesen Untersuchungen in der früheren Bundesforschungsanstalt für Kleintierzucht in Celle konnte ich feststellen, dass Normalhaartiere die gleichen Grundmuster und Gruppierungen aufweisen, so dass sie mit kleinen Abweichungen für alle unsere Kaninchenrassen gelten können, auch für Rexe, da die Mutation sich nur auf das Längenwachstum der Haare auswirkt.
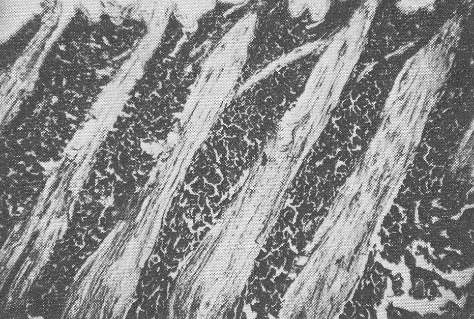
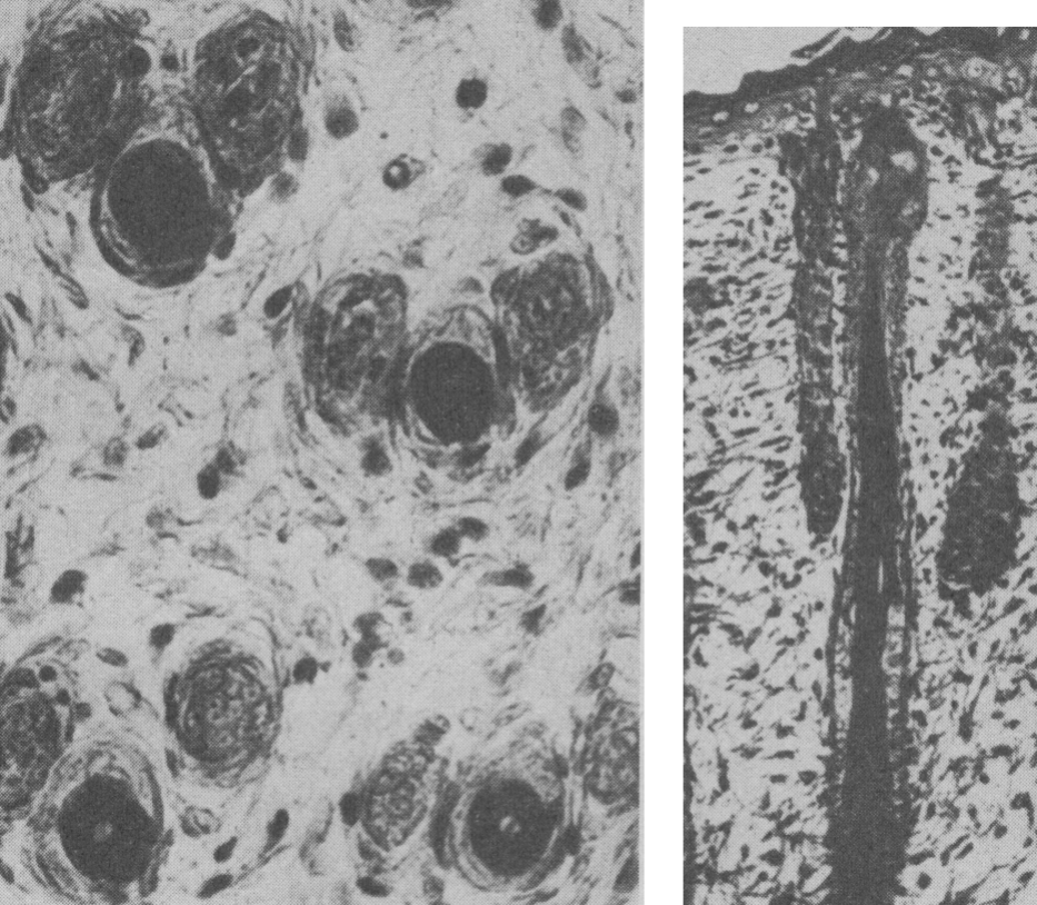
Bei einem Längsschnitt durch die Haut sehen wir, dass die Haarwurzeln in Bündeln angeordnet sind und in Strähnchen oder Büscheln aus der Hautoberfläche treten (Abb. 3).
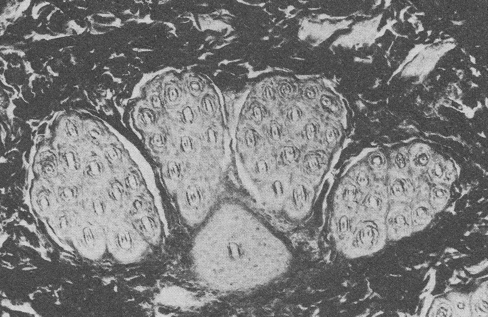
Legt man nun einen horizontalen Schnitt durch die Haut, etwa parallel zur Oberfläche, und betrachtet ein solches Bündel im Querschnitt, so zeigt sich eine ganz charakteristische Anordnung der Haare (Abb. 4).

Abb. 3: Hautlängsschnitt. Zwischen dem zweiten und dritten Haarbündel von rechts ist deutlich der Haarbalgmuskel zu sehen. Mikrofoto Koetter 1965.
Abb. 4: Hautquerschnitt von der Schulter eines Angorarammlers. Die gut ausgebildete Vierergruppe zeigt die halbkreisförmige Anordnung der Wollhaarbündel um ein Grannenhaar. Mikrofoto Koetter 1965.

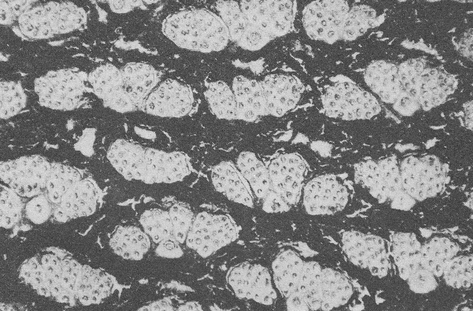
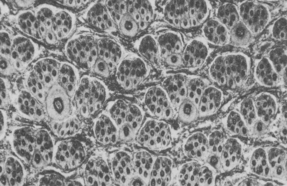
5: Hautquerschnitt von der Schulter. Der Ausschnitt umfasst etwa 3-4 mm² Hautfläche. Mikrofoto Koetter 1965

Ein starkes Grannen- oder Deckhaar wird im Halbkreis von vier Wollhaarsträhnchen umgeben. Zum überwiegenden Teil (ca. 70 %) stehen die Haare in solchen Vierergruppen. Daneben kommen auch Gruppen mit drei Wollhaarbündeln vor, seltener sind Gruppen mit fünf und mehr Bündeln, die durch Teilung der äußeren Strähnchen entstehen. Auf einer Querschnittsfläche, die etwa 3-4 mm² umfasst, sehen wir, dass diese Haargruppen ziemlich regelmäßig in wechselständigen Reihen stehen, die quer zum Haarstrich verlaufen (Abb. 5). Tiere mit dichtem Fell haben größere Wollhaargruppen als Tiere mit geringer Unterwolle, die etwa 30 – 40 Wollhaare je Grannenhaar aufweisen, während es die dichtwolligen Felle gut auf die doppelte Anzahl bringen können (Abb. 6). Die besonders starken Stichhaare oder Leithaare stehen in besonderen Gruppen, die ringförmig von 6-8 Haarbündeln umgeben sind (Abb. 7). Abb.

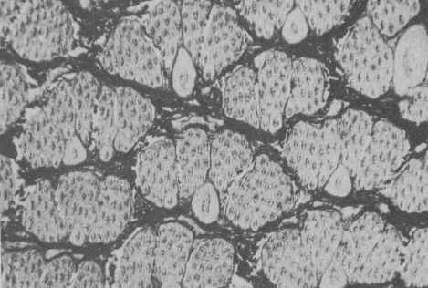
Abb. 6: Besonders große Wollhaargruppen in einem Hautquerschnitt von der Schulter eines Angorakaninchens der früheren ALP Celle. Vergrößerung 370fach. Mikrofoto Koetter 1965

Abb. 7: Stichhaargruppe oder Leithaargruppe. Beim Angora stehen etwa 1-3 Leithaare auf 1 cm² Hautfläche. Mikrofoto Koetter 1965.
2.1 Die Haarentwicklung beim Jungtier
Beim ungeborenen Kaninchen, dem Fötus, werden diese Leit- oder Stichhaare um den 20. – 22. Tag der Trächtigkeit als Haarkeime in der Oberhaut angelegt und wachsen dann als Haarwurzeln in die tieferen Hautschichten ein. Einige Tage später entstehen auf dieselbe Weise, aber viel zahlreicher, die Haarkeime der Grannen- haare oder starken Deckhaare. Sie umgeben sich bald mit zwei schwächeren seitlichen Haaren, die auch noch zu den Deckhaaren zu rechnen sind, so dass wir beim 26 Tage alten Fötus sog. Trio- Gruppen finden, die wissenschaftlich „Primäre Haarfollikel“ genannt werden, weil sie zuerst, und zwar als Keime, in der Oberhaut entstehen.
Abb. 8: 26 Tage alter Fötus. Vier Triogruppen im Querschnitt. Grannenhaare mit seitlichen Haaren. Vergrößerung 2800fach. Die Schnittebene von Abb. 8 geht durch die Wurzeln der Seitenhaare.

Rechts: Abb. 9: 26 Tage alter Fötus. Eine Trio-Gruppe im Längsschnitt. Mikrofoto Koetter 1965.
In den Tagen kurz vor der Geburt beginnt dann die Entwicklung der Wollhaarwurzeln, die nun als Knospen aus der Trio-Reihe gebildet werden und deshalb „abgeleitete oder Sekundäre Haarfollikel“ heißen. Das starke Mittelhaar der Trio-Gruppe bildet in der Regel zwei Wollhaarbündel aus, die beiden Seitenhaare je ein Wollhaarbündel, so dass im Laufe der Jugendentwicklung die für das Kaninchen charakteristischen Vierergruppen entstehen.
Abb. 10: Hautquerschnitt von einem 6 Wochen alten Jungtier. Die linke Bildfläche zeigt in der Mitte eine Stichhaar- oder Leithaargruppe. Vergrößerung 842fach, Mikrofoto Koetter 1965.

Je nach Erbanlage und Futterangebot bleibt die Fähigkeit zur Neubildung von Wollhaarfollikeln lange erhalten, die dann jeweils als Knospen am oberen Rand der Follikelgruppe erscheinen. Bei einem speziellen Fütterungsversuch mit Angorakaninchen (Mehner und Koetter 1964) konnte nachgewiesen werden, dass auch bei Tieren im Alter von 1-2 Jahren noch eine Vermehrung der Wollhaarwurzeln stattfinden kann.
Entsprechend wurde bei abgesäugten Häsinnen ein gewisser Rückgang an Wollhaarfollikeln beobachtet, was mit den Erfahrungen der Praxis übereinstimmt.
3. Der Fellzustand und Haarwechsel
Nun sind wir tief in die Probleme der Fellstruktur eingedrungen. Zur Bewertung der Fellqualität müssen wir neben Deckhaar und Unterwolldichte auch den allgemeinen Zustand des Felles in die Beurteilung einbeziehen.
Als Forderungen an ein hochwertiges Ausstellungstier sind hier nach Dorn (1973) folgende Merkmale herauszustellen: Das Haarkleid soll sauber, frei von Verfilzungen, Kahlstellen und Haarparasiten sein und sich im Zustand der Fellreife befinden. Im Wesentlichen sind die erstgenannten Forderungen durch sorgfältige Pflege und sachgemäße Haltung zu handhaben. Weit schwieriger ist es, die Fellreife zum richtigen Zeitpunkt zu erreichen. Hier sind wir vom jahreszeitlichen Haarwechsel abhängig, der im Frühjahr und im Herbst das Fell vollständig erneuert. Dabei zieht sich die Haarung oft sehr lange hin, so dass eigentlich nur in kalten Wintermonaten der erwünschte, ausgehaarte Zustand eintritt, der sich im Idealfall bis zu den großen Schauen im Februar erhält. In diese Zeit fällt auch normalerweise die Ernte der guten Kürschnerfelle, die an der weißen Innenseite des Leders zu erkennen sind und keine dunklen Haarungsflecke aufweisen sollen. Auf unser wechselhaftes, gemäßigtes Klima ist jedoch in dieser Hinsicht kein Verlass. So bereiten die Haarungserscheinungen und überraschenden Umhaarungen bei Wetterwechsel dem Züchter gerade in der Ausstellungszeit manchen Verdruss. Betrachten wir kurz den Haarungsvorgang in der Vergrößerung. Dorn beschreibt diese Vorgänge ausführlich in seiner „Rassekaninchenzucht“ (1973).
Die Haare sind in der Haut von einer inneren und einer äußeren Hülle, den Wurzelscheiden, umgeben. Sie bilden den Haarbalg oder Haarfollikel, der am unteren Ende in eine zwiebelartige Verdickung übergeht, die sog. Haarzwiebel. Von unten hat sie eine kleine Einstülpung, die Haarpapille. Sie wird gut durchblutet und trägt die Keimschicht, aus der sich das Haar entwickelt (Abb. 11 A).
Ist die volle Haarlänge erreicht, trennt sich das Haar nach einiger Zeit von der ernährenden Wurzel, bleibt aber mit seinem verdickten Ende als Kolbenhaar fest im Haarbalg haften (Abb. 11 B).
Nach dieser Trennung von der Haarpapille wird das Kolbenhaar nicht weiter mit Nährstoffen versorgt. Dadurch verblassen allmählich die Farben, und das Fell verliert seinen Glanz. An diesen Verfärbungen, die sich bei manchen Rassen auch als Rostanflug zeigen, erkennen wir, dass ein neuer Haarwechsel bevorsteht, der sich in den unteren Hautschichten bereits wieder vorbereitet.
Die Haarpapille hat nach der Trennung vom Kolbenhaar längere Zeit im Ruhezustand verbracht und beginnt dann, ein neues Haar auszubilden. Dessen Spitze drängt als sog. Haarkegel das Althaar allmählich aus dem Haarbalg, das dabei immer höher hinausgeschoben wird, bis es schließlich ausfällt (Abb. 11 C).
Der Haarwechsel beginnt nun nicht an allen Körperstellen zugleich, sondern in einzelnen Bereichen zeigt sich nachwachsendes Junghaar, dass sich durch intensivere Farben und höheren Glanz von dem farblich stumpf gewordenen Althaar abhebt. Dadurch werden Ringe und größer werdende Flecke in der Decke sichtbar, an anderen Stellen wird das lose Althaar in Mengen abgestoßen. Tiere in diesem Zustand sollte man nicht ausstellen, da sämtliche Farbpositionen wie Deckfarbe, Gleichmäßigkeit, Zwischenfarbe usw. in Mitleidenschaft gezogen werden und nicht mit Sicherheit zu beurteilen sind. Auch ergeben sich in der Fellposition mitunter Fehleinschätzungen in der Unterwolldichte, wenn das nachschiebende Junghaar im noch haftenden Althaar eine größere Dichte vortäuscht, als später tatsächlich vorhanden ist.
Abb. 11: Haarwechsel, schematisch (verändert nach Dorn).

Der Haarwechsel ist im Wesentlichen abgeschlossen, wenn die Decke vollständig ausgefärbt ist. Einige lose Haare sind nicht mehr als Haarung anzusehen, da einige Haarpapillen noch lange nach Abschluss der Haupthaarung in Tätigkeit sein können.
Welche Möglichkeiten bleiben nun dem Züchter, den Haarungsablauf günstig zu beeinflussen? In der Aufstellung habe ich angeführt, dass Umweltfaktoren wie Jahreszeit, Witterung, Stallklima, Fütterung und Pflege im Zusammenhang mit der Erbanlage auf den Fellzustand einwirken. Klammern wir das Wetter aus, weil wir keinen Einfluss darauf haben, bleiben noch Stallfrage, Ernährung und Fellpflege, die wir zweckmäßig gestalten können.
Sicherlich hat die Stallanlage einen gewissen Einfluss auf den Haarwechsel; doch scheinen die Vorteile des Außenstalles in dieser Hinsicht nicht so überzeugend, wie das früher angenommen wurde. Zwar fördern die jahreszeitlichen Temperaturreize den natürlichen Ablauf der Haarung, doch bringen nasskalte Witterung und längere Frostperioden auch Nachteile für das Wohlbefinden der Kaninchen.
Gerade bei Frost erhöht sich erheblich der Futter- und Energiebedarf, was u.U. Fragen nach der Rentabilität aufwirft. Dazu wirkt die zwangsläufig bei Kälte eingeschränkte Versorgung mit Trinkwasser oder Saftfutter ungünstig auf das Wachstum und die Ausstellungskondition. So bevorzugen viele Züchter Stallungen, die im Sommer weiträumig zu öffnen und im Winter annähernd frostfrei zu halten sind. Die Einsparung an Futter ist vermutlich eindrucksvoller als die vom Frost zu erwartende Fellverbesserung. An Pflegemaßnahmen ist bekannt, dass mehrmaliges kräftiges Durchbürsten, während der Haarungszeit den Tieren hilft, das Althaar rascher loszuwerden. Die Massage der Fellhaut fördert die Durchblutung und regt die Bildung des neuen Haarkleides an.
Mit der Fütterung haben wir zweifellos wichtige Mittel in der Hand, die Haarungsvorgänge zu steuern. Da bisher exakte Untersuchungen im Zusammenhang mit dem Haarwechsel des Normalhaarkaninchens fehlen oder mir nicht bekannt sind, ist das folgende mehr als Denkanstoß zu werten, denn eine erschöpfende Behandlung dieses Themas ist in diesem Rahmen nicht möglich.
Bessere Fütterung regt nachweislich die Neubildung von Haarfollikeln an (Koetter 1967), allerdings nur in den Grenzen der erblichen Veranlagung. Da Haare größtenteils aus Eiweißverbindungen bestehen, ist eine eiweißreiche Fütterung während des Haarwechsels angezeigt, wobei das Futter einen ausreichenden Anteil an schwefelhaltigen Aminosäuren (Eiweißbestandteile, 0,7% Methionin) enthalten sollte, wie er für die Angorafütterung empfohlen wird (DLG-Merkblatt 147).
Mit Beendigung der Herbsthaarung ist die Umstellung auf ein Mischfutter mit geringerem Eiweißgehalt sinnvoll, damit die Haarneubildung zur Ruhe kommt und die eingetretene Fellreife anhält.
Dass beim Haarungsprozess auch die Erbanlage ein Wort mitzureden hat, sieht der Züchter am unterschiedlichen Haarungsverhalten einzelner Stämme und Linien in seinem Stall. Manche Kaninchen bringen die Umhaarung rasch und glatt hinter sich, während andere fast das ganze Jahr über irgendwelche Haarungsflecke zeigen. Leider sind es oft die Tiere mit besonders dichtem Fell, die deshalb immer wieder in die Zucht eingestellt werden, aber damit werden auch die Schwierigkeiten mit der Dauerhaarung erblich im Stamm verankert. Auf rasche Durchhaarung zum richtigen Zeitpunkt ist bei der Auslese stärker zu achten, denn oft wird dieser Punkt über anderen züchterischen Sorgen aus dem Auge verloren, zumal es ja viel einfacher ist, das Wetter für die Haarungsprobleme verantwortlich zu machen.
Den Schritt in diese Richtung können uns die Angorazüchter weisen, denen es gleichlaufend mit einer enormen Steigerung der Wollleistung gelungen ist, die früher stark ausgeprägten jahreszeitlichen Schwankungen der Wollerträge in den vier Schurperioden so auszugleichen, dass die Einflüsse der Jahreszeit kaum noch festzustellen sind.
Viele Fragen um den Haarungsablauf bedürfen noch der Klärung. Aufmerksame Beobachtungen erfahrener Züchter und Aufzeichnungen über einen längeren Zeitraum könnten wichtige Beiträge liefern zur Lösung dieses vielschichtigen Problems.
Die Ziele sind wirtschaftlicher und ideeller Art: Mehr wertvolle Kürschnerfelle vom Pelztier Kaninchen und mehr Freude am Ausstellungstier, dessen Fell und Farben zur Schausaison in Blüte stehen.
Zusammenfassung
Das Kaninchenfell ist auf Grund seiner guten Eigenschaften ein wichtiges Erzeugnis der Pelztierzucht. Seine Qualität wird nach Fellstruktur und Fellzustand beurteilt. Beide Merkmale beruhen auf Wechselwirkungen zwischen Erbanlage, Ernährung und Einflüssen der Witterung und Jahreszeit.
Die Hauptmerkmale des Normalhaarfelles sind die Dichte der Unterwolle, das Deckhaar mit der Begrannung und die Haarlänge. Sie sollte bei großen Rassen 4 cm, bei Mittelrassen 3 cm und bei kleinen Rassen rund 2,5 cm betragen. Die Haarlänge beeinflusst auch den Glanz, die Farbwirkung und die Zeichnung der Felle.
Der Aufbau des Kaninchenfelles aus Unterhaar, Deckhaar und Granne (Stichhaar) ergibt sich aus der büschelweisen Anordnung der Haare in der Haut, wobei jeweils ein starkes Mittelhaar und vier Wollhaarbündel eine Gruppe bilden.
Wichtige Merkmale des guten Fellzustandes sind Sauberkeit und Fellreife. Die Haarung ist zwar stark von der Jahreszeit abhängig, kann aber durch eiweißreiche Fütterung, Fellpflege und züchterische Auslese auf raschen Haarwechsel günstig beeinflusst werden.
Literatur
Dorn, Friedr. Karl: Rassekaninchenzucht. 3. Aufl. Neumann-Neudamm 1973.
Koetter, Ursula: Haarentwicklung und Vliesbildung des Angorakaninchens. Archiv für Geflügelzucht und Kleintierkunde. Berlin. Bd. 14, Heft 4, 1965.
Koetter, Ursula: Wollertrag, Wollqualität und Vliesbildung beim Angorakaninchen. Ztschr. Züchtungskunde Bd. 39, Heft 1, 1967. E. Ulmer, Stuttgart.
Mehner, Alfred, und Koetter, Ursula: Dichte und Gruppierung der Haarfollikel in der Haut des Angorakaninchens. Ztschr. für Tierzüchtung und Züchtungsbiologie. Bd. 81, Heft 3, 1965, S. 241 – 259.











